在工业生产、电力运维等场景中,电网供电质量直接影响设备稳定运行与能源利用效率。APM521 网络电力仪表严格遵循 IEC 国际标准设计,以全能型监控实力,成为电网综合监控的核心优选。
仪表具备全电量测量功能,精准捕捉电压、电流、功率等关键参数,数据误差小、响应速度快。搭配专业电能统计模块,可实现正向 / 反向、有功 / 无功电能的精准计量,为能耗管理提供可靠数据支撑。
针对电能质量痛点,内置专项分析功能,能实时监测谐波、电压暂升暂降等异常情况,同时记录各类电力事件,让电网隐患无所遁形。标配的 DI/DO 模块与 AO 模块,可灵活适配不同电气回路,轻松实现开关状态监控与控制信号输出,满足多样化场景需求。
支持网络通讯功能,可快速接入各类监控系统,实现数据实时上传与远程管控,大幅提升运维效率。从设计到生产全程遵循 IEC 国际标准,产品稳定性经过严苛测试,能适应工业现场复杂的温湿度、电磁环境,长期运行依旧可靠。
无论是变电站、工厂配电室,还是大型建筑电力系统,APM521 网络电力仪表都能凭借全维度监控能力、灵活的模块配置,为电网供电质量保驾护航,助力实现精细化能源管理与安全运维。
UL认证的APM521 仪表详细介绍
APM521 网络电力仪表(以下简称仪表)按 IEC 国际标准设计,具有全电量测量、电能统计、电能质量分析事件记录功能及网络通讯等功能,主要用于电网供电质量的综合监控。该系列仪表配有功能丰富的 DI/DO 模块、AO 模块,可以灵活实现电气回路全电量测量及开关状态监控。
型号说明

外观图片


功能列表


技术参数

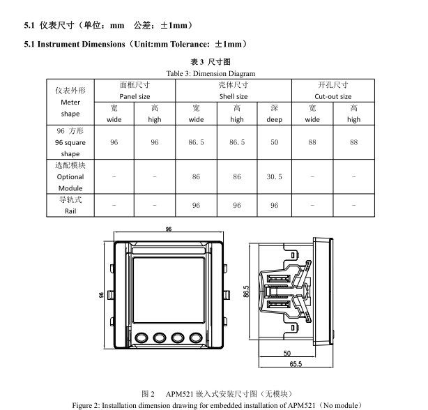
外形尺寸和安装


UL 认证




附安科瑞MID&CE 认证清单



如有需求请联络我们,我们可提供样机进行测试